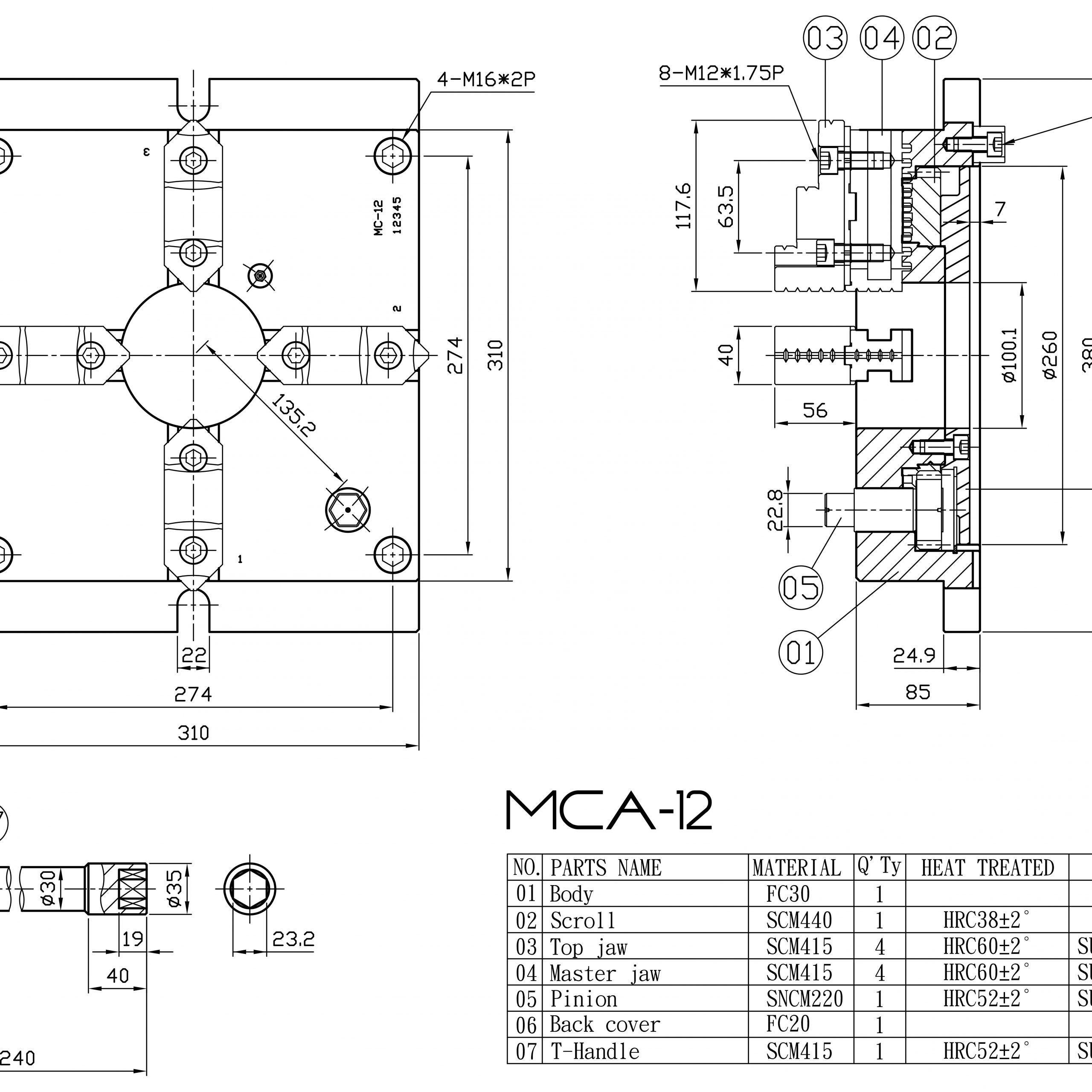
Specifications
Please note: Some specifications below are rounded, please refer to PDF/CAD files for exact dimensions.
Description
Features
- Front placement of the chuck wrench makes for easy operation
- MCA chucks are precisely ground
- "SUPER THIN" design
- Can be used with Hard or Soft jaws
- Alignment key on bottom of chuck for easy orientation
- Flange design makes for easy loading
- Comes with reversible hard jaws as standard




